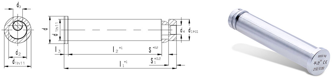
制造工艺:42CrMoA合金钢--热处理调质
吊模杆2133.11系列、2133.12系列、2132.10系列、2132.10.55系列、2132.11系列、B02.10系列、B02.11系列、B02.12系列、B02.30系列、B02.35系列、B02.44系列、B02.45系列、B02.40系列
产品图示
执行标准:EN ISO 12100:2010 FIBRO标准(2133.11),符合BMW标准、VDI 3366标准、VW标准、 CNOMO标准、GM标准、misumi标准、OMCR标准
专利号:ZL 2021 2 1291877.2
每对最大承载能力(kg)
3D下载:

热销产品